
作者:ADI工业和多市场业务部应用工程师Ying Cheng
在如今的车辆之中,高级驾驶员辅助系统(ADAS)的重要性与日俱增。它们可以帮助尽可能减少人为操作错误,提升驾驶员和道路安全。早期的ADAS只包含单个自动驾驶员辅助功能,例如使用一个雷达传感器的自适应巡航控制功能。现在,越来越多的ADAS功能被应用到汽车上,例如自动紧急停车、盲点监测、车辆/行人报警和避让、车道偏离报警和辅助等。ADAS的发展意味着这些车辆会使用更多的传感器和摄像头、功能强大的实时数据处理和计算,以及高速通信,而这些均提高了耗电量。
例如,第一代ADAS片上系统(SoC)(例如2008年的Mobileye EyeQ)仅消耗2W~3W功率。但新发布的ADAS SoC,例如NVIDIA® Xavier™,由于强大的数据处理和计算能力,需消耗20W~30W或更多功率。ADAS的电源由12V电池提供。它先被转换成5V或3.3V中间供电轨,然后转换成SoC内核、接口、外设等所需的不同的低电压。在ADAS SoC的功耗增大之后,中间供电轨转换器需要输出10A或更高的电流,以满足其要求。
在设计大电流中间电源时,传统方法是使用降压控制器。但是,由于需要使用外部MOSFET,所以这种方法的总解决方案尺寸较大。因此很难将控制器电源解决方案安装到空间有限的位置,这是汽车ADAS应用面临的常见问题。关于汽车开关电源的另一个问题是:电磁辐射。电源设计人员需要解决严格的辐射和传导电磁辐射限制带来的挑战,汽车行业必须遵守该限制。在功耗增加之后,这些电磁辐射标准更难以满足。为了满足功率、尺寸和电磁辐射限制,ADI公司开发了2款42V大电流单片式Silent Switcher稳压器:LT8638S和LT8648S。
使用LT8638S的紧凑型10A/12A峰值电源解决方案
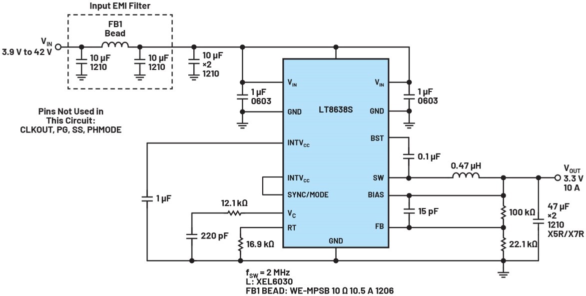
LT8638S是一款42V、10A单通道降压稳压器,采用4mm × 5mm LQFN封装,其中包含所有控制电路和MOSFET。短时间内,其输出电流可以达到12A。LT8638S是非常适合用于紧凑型10A中间供电轨的替代选项。图1显示了典型的5V/10A LT8638S的原理图。LT8638S稳压器的开关频率可在200kHz至3MHz范围内调节。表1列出了400kHz LT8638S电路和2MHz LT8638S电路的主要组成部分。图2显示在演示板DC2929A上,在400kHz和2MHz时,LT8638S的效率和温度升高情况。

图1.使用LT8638S的5 V/10 A电源
表1.图1所示的原理图包含的组件
开关频率 | 400 kHz | 2 MHz |
L1 | 3.3µH (10mm × 11.3mm × 10mm) | 0.56μH (6.36mm × 6.56mm × 6.1mm) |
COUT | 47µF × 3 | 47µF × 1 |
Rt | 105kΩ | 16.9kΩ |
Rc | 9.31kΩ | 13.7kΩ |
Cc | 820pF | 220pF |
CPL | 33pF | 10pF |

图2.图1所示的电路的效率和温度上升情况
比较LT8638S 400kHz电路和LT8638S 2MHz电路,可以看出,400kHz电路的电感大小是2MHz电感的2.5倍,400kHz电路的输出电容的大小是2MHz输出电容的3倍。所以,对于非常关注尺寸大小和成本的应用,2MHz开关频率更为合适。阻碍电源设计工程师使用2MHz(开关频率)的主要问题是效率和热性能,因为在高开关频率下,开关损耗会显著增大。LT8638S使用快速开关边沿来尽可能降低开关损耗,以缓解这些问题,如图3所示。如图2所示,在开关频率为2MHz,输出功率为50W时,LT8638S的温度仅上升60°C。在10A负载下,2MHz和400kHz开关频率之间的效率差异在1.5%以内。

图3.输入为12V,负载为10A时,LT8638S的开关边沿
在高开关频率下,快速开关边沿有助于提高效率,但可能会加剧电磁辐射。LT8638S采用Silent Switcher架构,不但支持快速开关边沿,还可实现更低的EMI,且解决方案的尺寸要更小。图4显示EMI很低的2MHz LT8638S电路。为了实现出色的EMI性能,该稳压器连接SYNC/MODE引脚和INTVCC引脚,以使用展频模式。图5显示采用图4的电路时LT8638S的辐射,测试设置由CISPR 25标准定义。红线代表CISPR 25 5类限值,这是汽车行业中要求最严格的辐射规范。采用很少的几个额外组件构成输入滤波器(如图4所示),LT8638S可以满足CISPR 25 5类规范严格的峰值和平均值限值。

图4.EMI很低的LT8638S电路

图5.图4所示的电路(在10A时,12V输入转换为3.3V输出)的辐射EMI和传导EMI
使用LT8648S、电流更高的单片式电源解决方案
复杂的ADAS需要使用多个SoC,以及多个摄像头和传感器。例如,免接触式ADAS可能采用多个非常耗电的芯片,以及多达11个摄像头。LT8648S具有高于LT8638S的输出电流能力,可以安装在这些复杂的ADAS所需的中间供电轨上。LT8648S是一款单片式42V、15A降压稳压器,其输出电流和功率电平与使用外部MOSFET的功率控制器解决方案相近。通过并行使用多个LT8648S,可以进一步扩展其电流能力。
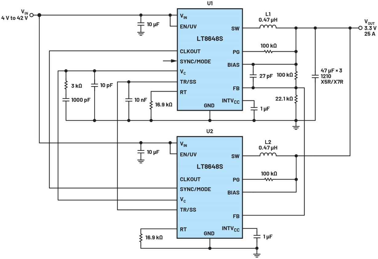
图6显示并行使用两个LT8648S器件的3.3V/25A, 2MHz电路的原理图。这两个LT8648S稳压器有共同的输入和输出。EN/UV和SS引脚连接,确保两个稳压器能按照相同的压摆率同时启动。LT8648S使用峰值电流模式控制,使得误差放大器输出VC电压与负载电流相关。通过连接VC和FB引脚,这两个并行的LT8648S无需使用外部电路,即可实现不错的电流平衡。U1 LT8648S的CLKOUT引脚连接至U2 LT8648S的SYNC/MODE引脚。连接之后,两个LT8648S稳压器实现同步,且支持180°相移。

图6.并行使用两个LT8648S的2MHz 3.3V/25A应用
图7所示图6电路的效率和温度上升情况。U1和U2的温度几乎相同,表示该并行应用实现了不错的电流均衡。高开关频率和外部补偿支持实现快速瞬态响应。图8显示图6所示的电路的负载瞬态响应。

图7.图6所示的电路的效率和温度上升情况

图8.图6所示的电路的10A至20A负载瞬态响应
结论
本文介绍两款高电流42V单片式Silent Switcher稳压器LT8638S和LT8648S。它们具有高效率和低辐射,缓解了在严苛的汽车应用环境中存在的散热和EMI问题。LT8638S和LT8648S集成MOSFET,为快速发展的汽车ADAS所需的高电流中间电源提供尺寸小巧的解决方案。
关于ADI公司
ADI是全球领先的高性能模拟技术公司,致力于解决最艰巨的工程设计挑战。凭借杰出的检测、测量、电源、连接和解译技术,搭建连接现实世界和数字世界的智能化桥梁,从而帮助客户重新认识周围的世界。详情请浏览ADI官网www.analog.com/cn。
关于作者
Ying Cheng是ADI公司工业和多市场业务团队的一名应用工程师,工作地点位于美国加利福尼亚州圣克拉拉。她于2010年加入ADI公司,目前为非隔离式单芯片降压转换器提供应用支持。Ying Cheng在电源管理领域的关注点包括面向汽车、电信、医疗和工业应用的高效率、高功率密度和低EMI的高性能电源转换器和稳压器。她获得了上海交通大学的电机工程学士学位和硕士学位,以及密苏里科技大学(原密苏里大学罗拉分校)的电气工程博士学位。