
ADI欧洲中央应用中心的核心应用工程师Diarmuid Carey
随着物联网设备越来越多地用于工业产品、家居自动化和医疗应用中,通过减小外形尺寸、提高效率、改善电流消耗,或者加快充电时间(对于便携式物联网设备)来优化这些设备电源管理的压力也越来越大。所有这些都必须以小尺寸实现,既不能影响散热,也不能干扰这些设备实现无线通信。
什么是物联网?
物联网,通常指一种智能联网电子设备,可由电池供电,能将预先计算的数据发送给基于云的基础设施。
它利用嵌入式系统集合体(例如处理器、通信IC和传感器)来收集、响应数据,并将数据发送回网络的中心位置或其他节点。物联网应用领域存在多种表现形式,设备形态多样。例如简单的温度传感器,用于向中央监控区域报告室温,或者设备健康监测器,用于跟踪监测昂贵工厂设备的长期健康状况等等。
开发这些设备是为了解决特定需求和挑战,无论是为了自动执行通常需要人工干预的任务,比如家居或楼宇自动化,还是在工业物联网应用中提高设备的可用性和使用寿命,如果考虑在基于架构的应用(例如桥梁)中实现状态监控应用,甚至可以提升安全性。
物联网应用的五大核心领域
物联网设备的应用领域异常广泛,新场景和新应用不断翻新。比如,基于应用的智能变送器可收集其环境数据,做出控制温度、触发警报或自动执行特定任务的相关决策。此外,煤气表和空气质量测量系统等便携式仪器,可以通过云向控制中心提供准确的测量结果。GPS跟踪定位系统是另一种应用,如可以通过智能耳标,追踪牲畜集装箱中的奶牛。而这些都仅仅是云连接设备中的一小部分。其他领域还包括可穿戴医疗健康应用和基础设施检测应用。
当前,工业物联网应用已成关键增长领域,它是以智能工厂为中心的第四次工业革命里一环。许多物联网应用最终都在尝试尽可能实现工厂自动化,无论是通过使用自动导引车(AGV)、智能传感器(如RF标签或压力表),或是部署在工厂周围的其他环境传感器。
ADI公司认为,物联网主要侧重以下五大领域:
智能健康——支持临床级和消费级的生命体征监测应用。
智能工厂——侧重于通过提高工厂的快速响应能力,使工厂更灵活、更精简,以构建工业4.0。
智能楼宇/智慧城市——利用智能传感技术来执行楼宇安全、车位占用检测,以及实施温度和电气控制。
智能农业——利用现有技术实现自动化农业并提升资源利用效率。
智能基础设施——基于状态监控技术来监测移动和架构安全。
物联网设计挑战
在不断发展的物联网应用领域,设计人员面临着诸多挑战,但供电却是最令人头痛的。这些设备或节点大多数是在事后安装的,或安装在难以接近的位置,因此无法为其供电。这意味着需要完全依赖电池和/或能量收集方式供电。
假设要为工厂内偏远的物联网节点供电,一旦部署新电缆,不仅实施成本高昂,而且极为耗时,所以一般都会选择使用电池或能量收集方式为这些偏远节点供电。
而依赖电池供电,需要遵循严格的功率预算,以确保尽可能延长电池寿命,这必然会影响设备的总拥有成本。使用电池的另一个缺点,是在电池报废之后需要更换电池。这包括电池本身的成本,以及更换电池和弃置旧电池的高额人力成本。
另外还要考虑电池成本和尺寸,这往往会导致对电池过度设计,以确保其拥有足够容量,从而满足电池的使用寿命要求,一般是要求超过10年。但是,过度设计会额外增加电池的成本和尺寸,因此,不仅要优化功率预算,还要尽可能减少能源使用,使电池尺寸足够小,同时仍能够满足设计要求。
物联网供电
为了方便讨论,ADI公司将物联网应用中的电源分为以下三种情况:
使用不可充电电池(原电池)的设备
需要使用可充电电池的设备
利用能量收集来提供系统电源的设备
这些电源可以单独使用,或根据应用需要组合使用。
原电池应用
大家都知道各种不同的原电池应用,这些也称为不可充电电池应用。主要用于偶尔需要用电的应用,也就是说,设备偶尔通电,然后重新进入深度睡眠模式,所以耗电很少。使用原电池供电的主要优势在于:它提供高电能密度,设计简单(因为无需包含电池充电/管理电路),以及成本较低(因为电池更便宜,所需的电子器件更少)。它们非常适合低成本、低功耗的放电应用,但是,因为这些电池的寿命有限,所以不太适合功耗略高的应用,而更换电池会产生额外的电池成本以及更换电池的人工成本。
想象一下拥有许多节点的大型物联网装置。当您请技术人员现场更换一台设备的电池时,通常会一次性更换所有电池,以节省人工成本。毫无疑问,这是一种浪费,只会加剧全球浪费问题。更重要的一点,不可充电电池只提供了最初制造电池所用电量的2%。约98%的电量浪费使得这种电源的经济效益非常低。
显然,它们在基于物联网的应用中确有一席之地。相对较低的初始成本使其非常适合低功耗应用。它们提供多种类型和尺寸选择,而且无需使用额外的电子器件来进行充电或管理,所以是简单的解决方案。
从设计角度来看,关键挑战在于如何充分利用这些小型电源提供的电力。为此,需要花费大量时间来制定功率预算计划,以确保尽量延长电池的使用寿命,设计目标一般是10年。
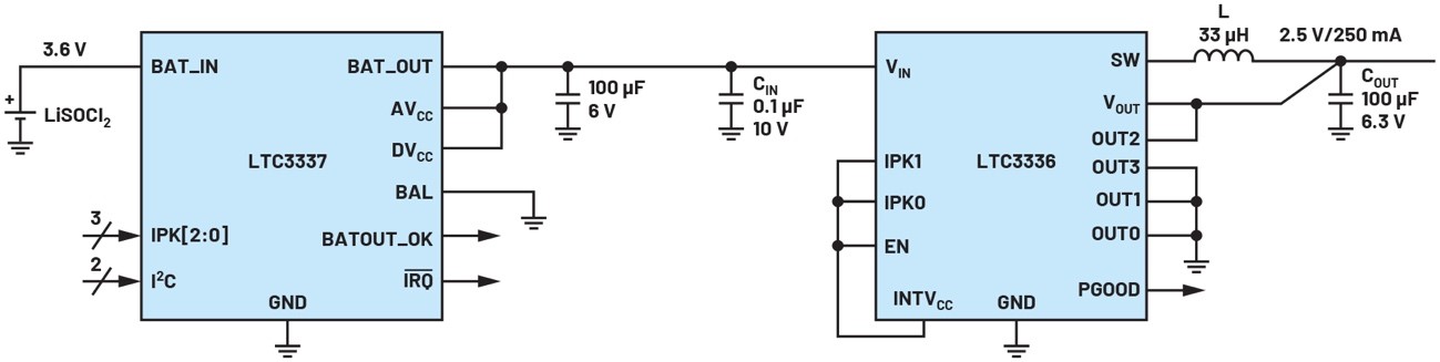
对于原电池应用,可以考虑使用ADI微功耗产品系列中的两款产品:LTC3337微功耗库仑计数器和LTC3336微功耗降压稳压器,如图1所示。

图1.LTC3337和LTC3336应用电路
LTC3336是一款低功耗DC-DC转换器,输入电压可高达15 V,峰值输出电流可编程。输入可以低至2.5 V,因此非常适合电池供电应用。
在空载状态下调节时,静态电流可能非常低,仅65 nA。随着DC-DC转换器不断改进,可轻松设置并用于新设计中。输出电压可根据OUT0至OUT3引脚的连接方式进行编程设置。
LTC3336的配套器件是LTC3337,这是一款微功耗原电池健康状态监视器和库仑计数器。它是另一款可轻松用于新设计的产品,只需按照峰值电流要求(在5mA至100mA范围内)连接IPK引脚。根据选定的电池进行一些计算,然后填入基于选择的峰值电流推荐的输出电容。
最终,为功率预算有限的物联网应用找出合适的配套设备。这些产品能够准确监测原电池的电量使用情况,并将输出高效转换为可用的系统电压。
可充电电池应用
现在,再来看看可充电应用。对于需要更高功率或更高放电的物联网应用,原电池更换频率显然不合适,可充电电池将是一个不错的选择。电池的初始成本以及充电电路使可充电电池应用的成本更高,但在需要频繁放电和充电的高放电应用中,这种成本是合理的,很快能实现回本。
根据所使用的化学物质,可充电电池应用的初始电量可能比原电池低,但从长远来看,效率更高,总体来说,浪费更少。根据电力需求,还可以选择电容或超级电容存储,但它们更多用于短期后备存储。
根据所使用的化学物质,电池充电涉及几种不同的模式和工作特性(specialist profiles)。例如,图2中显示的锂离子电池的充电特性曲线。底部为电池电压,纵轴表示充电电流。

图2.充电电流与电池电压的关系
当电池严重放电时,如图2左侧所示,充电器需要具有足够智能,让电池进入预充电模式,使电池电压缓慢增加到安全水平,然后进入恒流模式。
在恒流模式下,充电器将设定的电流输入电池,直到电池电压升至设定的浮充电压。
设定的电流和电压均取决于所用的电池类型,充电电流受充电速率和所需的充电时间限制,浮充电压则基于保持电池安全的阈值。系统设计人员可以根据系统需要,通过稍微降低浮充电压来帮助延长电池的使用寿命,与针对电源的考量一样,就是进行权衡和取舍。
达到浮充电压之后,充电电流会降至零,并且会根据终止算法使该电压保持一段时间。
图3显示了3电池应用随时间变化的行为特性曲线。红色线条表示电池电压,蓝色线条表示充电电流。它在恒流模式下启动,最高电流达2A,直至电池电压达到12.6V恒压阈值。充电器在终止定时器定义的时长内保持此电压,在本例中,时长为4个小时。许多充电器产品都支持编程设置该时间。

图3.充电电压/电流与时间的关系
有关电池充电和一些可用产品的更多信息,可参阅《模拟对话》文章“适用于任何化学物的简单电池充电器IC。”

图4.LTC4162:3.2 A降压型电池充电器
图4显示了一个不错的多功能降压型电池充电器(LTC4162)示例,它可以提供高达3.2 A充电电流,适合用于多种应用,包括便携式仪器仪表和需要更大电池或电池组的应用。它也可用于从太阳能充电。
能量收集应用
在使用物联网应用和其电源时,另一个可以考虑的选项是能源收集。当然,对于系统设计人员来说,需要考虑多方面因素,但免费能源的吸引力不能低估,尤其是电源要求不太严格且安装位置不能触及(即技术维修人员接触不到)的应用。
有许多不同的能源可供选择,也并非一定是户外应用才使用这种方式。太阳能以及压电或振动能量、热电能,甚至RF能量都是可以收集的(虽然其功率电平很低)。
图5显示使用不同收集方法时相应的电能水平。

图5.能源和可用于各种应用的大致电能水平
至于缺点,与之前讨论的其他电源相比,其初始成本更高,因为需要使用收集元件,例如太阳能电池板、压电接收器或珀尔帖效应元件,以及电能转换IC和相关的使能组件。
另一个缺点是解决方案的整体尺寸更大,特别是与纽扣电池这样的电源相比。使用能量收集器和转换IC时,很难实现小型解决方案。
在效率方面,管理低电能水平也是一个难题。因为许多电源都是交流电源,所以需要整流。ADI使用二极管来实现整流。设计人员必须考虑其本身特性导致的电能损失。在增大输入电压的情况下,这种影响会减弱,但并非始终如此。

图6.能量收集应用中ADP5090的功能框图
大多数能量收集讨论中使用的器件来自ADP509x产品系列和LTC3108,它支持广泛的能量收集来源,提供多条电源路径和可编程充电管理选项,可以提供极高的设计灵活性。可以使用多种能源为ADP509x供电,但也可以从电源中提取电能,用于为电池充电或为系统负载供电。从太阳能(室内和室外)到热电发电机(从可穿戴应用的人体热量或发动机热量中提取热能),任何能量来源都可用于为物联网节点供电。此外还可以从压电电源中获取电能,这增加了另一层灵活性,也是一种很不错的方式,(例如)可以从运行的电机中提取电能。
另一个能够通过压电电源供电的器件是ADP5304,它以较低的静态电流(空载状态下一般为260nA)运行,非常适合低功耗能量收集应用。数据手册中展示了一个典型的能量收集应用电路(参见图7),该电路由压电电源供电,用于为ADC或RF IC供电。

图7.ADP5304压电电源应用电路
电能管理
在讨论功率预算有限的应用时,还应当考虑电能管理。在查看不同的电源管理解决方案之前,首先要针对应用执行功率预算计算。这个步骤很重要,可以帮助系统设计人员了解系统中使用的重要组件,以及它们分别需要多少电能。这会影响他们的决定,是选择原电池、可充电电池、能量收集,还是将这些选项组合使用。
在研究电能管理时,物联网设备收集信号并将其发送回中央系统或云端的频率是另一个重要因素,它对整体功耗有很大影响。一种常见手段是调整电源使用的占空比,或者延长唤醒设备使其收集和/或发送数据的时间间隔。
在尝试管理系统电能使用情况时,对每个电子设备使用待机模式(如果提供)也是一种非常有用的工具。
结论
与所有电子应用一样,尽早考虑电路的电源管理部分很重要。这在电源受限的应用中,如物联网领域里更为重要。在设计阶段尽早制定功率预算有助于系统设计人员确定有效的路径和合适的设备,以应对这些应用带来的挑战,同时仍能够以小尺寸解决方案实现高能效。
关于ADI公司
ADI是全球领先的高性能模拟技术公司,致力于解决最艰巨的工程设计挑战。凭借杰出的检测、测量、电源、连接和解译技术,搭建连接现实世界和数字世界的智能化桥梁,从而帮助客户重新认识周围的世界。详情请浏览ADI官网www.analog.com/cn。
作者简介
Diarmuid Carey是欧洲中央应用中心的应用工程师,工作地点在爱尔兰利默里克。他自2008年以来一直担任应用工程师,并于2017年加入ADI公司,为欧洲的众多市场客户提供Power by Linear产品组合的设计支持。他拥有利默里克大学计算机工程学士学位。联系方式:diarmuid.carey@analog.com。