
本文导读
致远微电子LDO系列产品ZL6205/ZL6105/ZL6103,独有的快速上下电功能,能有效解决智能家居产品日常使用中因频繁开关带来的不稳定性,给我们的智能生活保驾护航。

图1 致远微电子LDO
致远微电子推出的LDO系列产品ZL6205/ZL6105/ZL6103具有其独有的快速上下电功能,能有效解决智能家居产品日常使用中因频繁开关带来的不稳定性,得到智能家居产品客户一致点赞,给我们的智能生活保驾护航。
以智能灯为例,智能灯之所以较于普通灯智能,是因为多了一个智能灯光控制系统,使其具有联网,无极调光,开关等功能。在日常使用过程中,我们的智能灯经常处于一个被频繁开关的状态,如配网操作(多次快速开关),家中老人的使用等,其他智能家居也一样。你有没有遇到过偶尔灯光遥控失灵或者WIFI连不上的情况?但只要重新开关一次,一切又正常了。 这种情况很有可能就是由于频繁开关控制系统放电不彻底导致的。
ZLG LDO之所以可以使我们的智能产品应对这种频繁开关,快速开关的场景时更加从容不迫。主要原因在于其内部的快速上下电设计,如下所示:
(1)巧用EN引脚,快速上电

图2 EN上拉至输入和采用分压电路时的输出曲线
曲线①,使能上拉至输入,此时输出上升时间长且会受到输入波动的影响;
曲线②,合理采用分压电阻,当VIN上升到 70%~80%的时候,再使EN的电压到达使能阈值,此时输出上升边沿陡峭,输出平稳,摒除了输入电源的不稳定阶段,减小了输入电压波动的影响。
(2)自带快速放电电路

图3 掉电缓慢示意图
当系统掉电负载不能很快地泄放能量时,就会出现MCU等数字器件掉电,缓慢的情况。若此时重新上电,由于芯片内部无法及时“归零”,对MCU等数字器件来说,这是一种不确定的状态,此时再对系统进行重新上电的操作,就容易造成MCU逻辑混乱,从而出现器件闩锁,系统不能启动的情况。

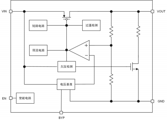
图4 ZL6205 内部框图
如上图所示为 ZL6205 的内部框图,当输入电压下电时,若 EN 电压低于使能阈值, 则会启动内部的快速放电电路,在输出端加载一个 240Ω 的泄放电阻,以使输出电压迅速掉 电。此时 LDO 的输出电压即 MCU 的输入电源,能够快速地“归零”,避免再次快速上电时系统启动失败。
致远微电子“快速上下电功能”LDO选型表如下:

来源:立功科技