
【超旸发布】你的CPU、GPU及SoC应用不可错过的DCDC转换器
产品介绍
CHP2630和CHP2635是超旸半导体推出的高效率多相DCDC转换器,这两款DCDC开关速度均高达10MHz,CHP2630是四相单路DCDC,电流能力可以达到10A,CHP2635是四相双路DCDC,每一通路电流可以达到5A。随着该产品系列的成功推出,为各类CPU,GPU,以及智能手机、5G平板电脑、PC笔记本电脑、光模块、云服务器类各种计算机系统的SoC提供高效的电源解决方案。

CHP263x产品系列具有非常小的封装设计(WLCSP 2.9*2.9mm),可以大大简化PCB的放置和布线,给各种平台及应用提供高效稳定的电源解决方案。
价值定位
高能效(高效率 vs 负载)
开关频率最高可达10MHz
高速电压转换率和快速响应
减少组件数,更低的BoM成本


产品特性
输入电压
2.7V - 5.5V (each buck)
输出电压
0.5V – 1.3V (each buck)
输出电压分辨率
3.125mV/6.25mV (each buck)
最大输出电流
CHP2630 10A/Channel
CHP2635 5A/Channel
可配置开关频率
Up to 10MHz (I2C Configurable)
输出电压DVC转换速率
250mV/us
静电保护
HBM 2500V/MM 250V
CHP2630 系统框图

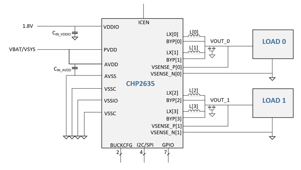
CHP2635 系统框图

样品申请渠道
超旸半导体
sales@chaoyangtechnologies.com
授权代理
超旸半导体
超旸半导体是一家总部位于上海的国际型半导体公司,在全球总共设立了三个研发中心(中国,欧洲,美国),致力于用创新的技术,为物联网,移动手机及计算机系统等领域提供业内领先的电源管理,音频处理及边缘人工智能的解决方案。
我们致力于开发业内一流的高性能电源管理芯片,以及为各类传感系统提供低功耗的模拟前端。超旸半导体在成立多年以来已经积累了多种创新设计,拥有超过64项的知识产权,相信这些创新的技术可以更好的为下一代移动计算以及物联网系统提供更好的电源管理解决方案。