
2022年4月19日,致力于亚太地区市场的领先半导体元器件分销商---大联大控股宣布,其旗下友尚推出基于达尔科技(Diodes)AP3306、APR340与AP43771V等芯片的130W ACF氮化镓NB PD电源适配器方案。

图示1-大联大友尚基于Diodes产品的130W ACF氮化镓NB PD电源适配器方案的展示板图
手机、平板、笔记本等便携式电子产品的技术迭代正不断超乎人们想象,而其中最颠覆的技术之一莫过于快充技术。近几年受益于功率器件与PD快充协议的发展,大功率适配器方案迎来了快速创新时期,从最初的18W到45W再到65W,每一次功率的攀升,都使快充功能有了显著提高。而未来在多重技术的驱动下,大功率适配器将在消费类电源领域的占有主流地位。为了加快各大厂商能够快速开展大功率适配器的研发,大联大友尚基于Diodes的产品推出了130W ACF氮化镓NB PD电源适配器方案,能够同时为手机、平板、笔记本提供充电需求。
达尔科技(Diodes)成立于1966年,主要从事于分立、逻辑及模拟半导体产品的制造及供应,其产品广泛应用于工业、通讯以及汽车市场。本方案中所采用的AP3306、APR340与AP43771V芯片均为Diodes高性能产品。

图示2-大联大友尚基于Diodes产品的130W ACF氮化镓NB PD电源适配器方案的场景应用图
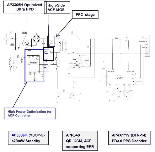
本方案的核心由四个主控制器UCC28056、AP3306、APR340和AP43771V组成。其中,UCC28056B是过渡模式升压PFC控制器。AP3306是一款高度集成的有源箝位反激(ACF)控制器,主要针对离线电源优化设计,可满足超低待机功耗、高功率密度和全面保护的需求。APR340是次级侧同步整流(SR)控制器,它可用作同步的次级侧MOSFET驱动器DCM操作中的整流,为方案有效降低次级侧整流器功耗并提供高性能。
AP43771V是一种协议解码器,负责匹配相关充电器容量和连接的配备C型充电设备(DUC)的请求。它兼容Qualcomm® QC4/4+/QC5协议,支持USB供电规范Rev3.0 V1.2(包括可选的PPS支持),在方案中起到调节充电器的反馈网络以满足DUC的电压和电流要求的作用。

图示3-大联大友尚基于Diodes产品的130W ACF氮化镓NB PD电源适配器方案的方块图
除此之外,本方案还采用氮化镓(GaN)FET进一步提升充电效能。通过结合以上器件,可为消费电子适配器提供高性价比与高功率密度的解决方案,使产品在市场竞争中保持独特的优势。
核心技术优势:
高效BOM优化的高功率密度充电器的最佳系统实施
Diodes专利利用ACF拓扑实现提升效率改进方法;
高压启动及低待机功耗;
符合DOE VI和COC Tier 2效率要求;
USB Type-C输出线:支持最大输出130W PD 3.0功能。
AP3306主要特性
具有回收泄漏能量和零电压开关功能的有源箝位反激拓扑;
高压启动;
用于VCCL引脚的嵌入式VCC LDO以保证宽范围输出电压;
输出短路时的恒定、低输出电流;
非可听噪声准谐振控制;
启动过程中的软启动;
频率折返以实现高平均效率;
带有FOCP的次级绕组短路保护;
用于降低EMI的频率抖动;
X-CAP放电功能;
有用的引脚故障保护:SENSE 引脚浮动保护/FB/光耦合器开路/短路保护;
全面的系统保护功能:VOVP/OLP/BNO/SOVP/SUVP0。
APR340主要特性
同步整流适用于DCM/QR/ACF操作模式;
消除谐振振铃干扰;
使用最少的外部组件。
AP43771V主要特性
支持USB PD Rev 3.0 V1.2;
USB-IF PD3.0/PPS认证TID 4312;
高通QC5认证:QC20201127203;
用于系统配置的MTP;
主固件的OTP;
工作电压范围:3.3V至21V;
用于CV和CC控制的内置调节器;
可编程OVP/UVP/OCP/OTP;
支持省电模式;
用于VBUS供电的外部N-MOSFET控制;
支持e-Marker线缆检测;
W-DFN3030-14。
方案规格:
Power主要规格
输入电压范围:90Vac ~ 264Vac;
输入Standby Power:小于100mW;
主要输出电压规格:5V/3A,9V/3A,15V/3A,20V/6.5A;
效率:符合CoC version 5 tier-2;
最大输出功率:130W(20V/6.5A);
保护种类:OCP,OVP,UVP,OLP,OTP,SCP;
Dimensions:PCB size 125mm*55mm*30mm。
如有任何疑问,请登陆【大大通】进行提问,超过七百位技术专家在线实时为您解答。欢迎关注大联大官方微博(@大联大)及大联大微信平台:(公众账号中搜索“大联大”或微信号wpg_holdings加关注)。
关于大联大控股:
大联大控股是全球第一、亚太区最大的半导体元器件分销商*,总部位于台北(TSE:3702),旗下拥有世平、品佳、诠鼎及友尚,员工人数约5,000人,代理产品供货商超250家,全球80个分销据点,2021年营业额达278.1亿美金(自结)。大联大开创产业控股平台,专注于国际化营运规模与在地化弹性,长期深耕亚太市场,以「产业首选.通路标杆」为愿景,全面推行「团队、诚信、专业、效能」之核心价值观,连续21年蝉联「优秀国际品牌分销商奖」肯定。面临新制造趋势,大联大致力转型成数据驱动(Data-Driven)企业,建置在线数字化平台─「大大网」,并倡导智能物流服务(LaaS, Logistics as a Service)模式,协助客户共同面对智能制造的挑战。大联大从善念出发、以科技建立信任,期望与产业「拉邦结派」共建大竞合之生态系,并以「专注客户、科技赋能、协同生态、共创时代」十六字心法,积极推动数字化转型。 (*市场排名依Gartner公布数据)