
设计任何电路板的电源部分时,最常用的稳压器是78XX、79XX、LM317、LM337或类似器件。工程师知道这些控制器安全可靠且易于使用,但它们的电流有限。如果需要更大电流,可以使用ADI公司的LT1083稳压器实现简单实惠的解决方案
一款强大的稳压器
LT1083稳压器(参见图1中的符号和引脚排列)允许调整正电压,并能高效地提供高达7.5 A的电流。内部电路设计用于输入和输出之间以高达1 V的压差工作。在最大输出电流条件下,最大压差为1.5 V。需要一个10 uF输出电容。以下是值得注意的一些特性:
可调输出电压;
最高7.5 A的电流;
TO220封装;
内部限制功耗;
最大30 V的差分电压。
它可用于各种应用,如开关稳压器、恒流稳压器、高效率线性稳压器和电池充电器。本教程探讨的型号具有可变且可配置的输出电压。还有另外两个型号——LT1083-5和LT1083-12,其输出分别稳定在5 V和12 V。
图1:LT1083稳压器
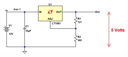
5 V输出电压的最小应用图
图2显示了5 V稳压器的应用参考图。输入电压必须始终大于6.5 V。当然,电路的电源电压不能过高,因为所有功率最终都会以热量形式不必要地耗散,从而大大降低系统的效率。该稳压器通过其三个引脚连接到输入、输出和电阻分压器,后者用于确定输出电压的值。强烈建议使用两个电容器,一个在输入端,一个在输出端。该方案具有将输出电压稳定在恰好5 V的功能。因此,分压器由两个1%精密电阻组成,第一个是121 Ω,第二个是365 Ω。很明显,用调整器或电位计替换这两个无源元件,便可实现可变电压的电源系统。
图2:5 V输出电压的最小但完全能够正常工作的应用方案
图3显示了负载电流和集成稳压器功耗的第一次测量结果。仿真是通过测试不同负载值来执行的,负载阻抗在1 Ω到20 Ω范围。一个非常重要的事实是,即使负载发生很大变化,输出电压也非常稳定(始终为5 V)。但是,流经负载的电流以及集成稳压器的功耗差异极大。只要在制造商设定的工作限值以内,该稳压器便非常稳定和安全。
图3:5 V稳压器原理图的测量结果
该稳压器设计支持最高1 V的压差。此压差与负载电流无关;由于其值较低,最终系统的效率可能非常高。图4显示了输入电压(0 V到8 V,红色曲线)和输出电压(蓝色曲线)的曲线。根据制造商的特性规定,这两个电压之间具有大约1 V的有效“压差”。
图4:输入、输出和压差的曲线
即使使用不同实体的负载,集成稳压器的输出电压(值用于电阻分压器)也非常稳定,如图5中的曲线所示。
图5:曲线显示了输出的稳定性,其与所使用的负载无关
当输入电压接近所需的输出电压时,效率要高得多。在18 V、12 V和6.5 V的三个不同电源下,使用不同负载值测得以下平均效率。
输入电压:18 V,电路效率等于26.71%;
输入电压:12 V,电路效率等于40.84%;
输入电压:6.5 V,电路效率等于75.37%;
因此,当输入电压远高于输出电压时,稳压器需要更卖力地工作,消耗的能量(以无用的热量损失掉)也就更多。
温度影响
即使存在温度变化,本教程所探讨的稳压器也非常稳定。虽然制造商在官方文件中认证的稳定性为0.5%,但实际获得的结果更令人满意。现在我们研究一个与上述第一个方案等效的简单应用方案,其具有以下静态特性:
输入电压:6.5 V;
输出电压:5 V;
输出端所连负载的阻性阻抗:5 Ω;
负载电流:1 A;
稳压器功耗:1.51 W。
现在,我们在-10 °C到+100 °C的范围内改变温度并运行仿真。通过图6所示曲线可以发现,在非常宽的温度范围内(110 °C温差),输出实际上保持恒定。该集成电路非常稳定,在两个温度极值下,输出电压的最大变化只有6.2 uV。
图6:显示不同工作温度下输出电压变化的曲线
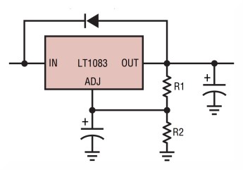
保护二极管
LT1083稳压器不需要任何保护二极管,如图7所示。事实上,新的元件设计由于使用了内部电阻而能够限制返回电流。此外,集成电路的输入和输出之间的内部二极管能够管理持续数微秒的50 A至100 A电流峰值。因此,调节引脚上的电容器也不是严格需要的。只有当电容值大于5000 uF的电容器连接到输出,同时输入引脚短接到地时,才可能损坏稳压器,而这是一个不太可能发生的事件。
图7:输出和输入之间不再需要保护二极管
如何获得不同电压
在输出引脚和调节引脚之间,存在一个等于+1.25 V的基准电压。如果将一个电阻放置在这两个端子之间,则会有一个恒定电流流过该电阻。连接到地的第二电阻具有设置整体输出电压的功能。10 mA的电流足以获得此精确调节。通过实现调整器或电位计,可以创建可变电压电源。调节引脚上的电流非常低(大约几微安),可以忽略不计。对于14 V电源,以下是计算这两个电阻的步骤,图8中的分压器图和图9显示的公式中可以看到这些电阻:
输入电压Vin必须始终比所需的输出电压高出至少1 V,因此Vin > 15 V;
在输出引脚和基准引脚之间,始终存在一个1.25 V的电压;
输出引脚与基准引脚之间的电阻R1中必须有10 mA的电流;
R1的值等于电阻上的电位差与必须流经其中的电流之比;
基准引脚电压等于输出电压减去固定电压1.25 V;
电阻R2中也必须流过10 mA的电流,因此可以通过欧姆定律轻松算出。
当R1 = 125 Ω且R2 = 1275 Ω时,输出电压恰好为14 V。利用3.3 kΩ电位计代替R2电阻,可以获得电压为1 V到Vin的可变电源。
图8:获得任何电压值所需的分压器电阻的计算
图9:计算这两个电阻的方程
结论
3引脚LT1083稳压器可调且非常易于使用。它具备通常只有高性能稳压器才提供的多种保护功能。这些保护系统可应对短路情况,并在温度超过165°C时发生热关断。出色的稳定性支持创建高质量的电源系统。要确保完全稳定,需要一个150 uF电解电容或一个22 uF钽输出电容。








