
作者:ADI 公司 Doug Mercer,顾问研究员;Antoniu Miclaus,系统应用工程师
目标
本次实验的目的是研究简单的NMOS源极跟随器,有时也称为共漏极配置。
材料
►ADALM2000主动学习模块
►无焊面包板
►跳线
►一个2.2 kΩ电阻(RL)
►一个小信号NMOS晶体管(M1采用增强模式CD4007或ZVN2110A)
说明
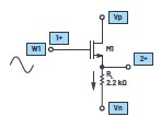
面包板连接如图1和图2所示。波形发生器W1的输出连接至M1的栅极端子。示波器输入1+(单端)也连接至W1输出。漏极端子连接至正极(Vp)电源。源极端子连接至2.2 kΩ负载电阻和示波器输入2+(单端)。负载电阻的另一端连接至负极(Vn)电源。要测量输入-输出误差,可以将2+连接至M1的栅极,2–连接至源极,以显示示波器通道2的差值。

图1.源极跟随器
硬件设置
波形发生器配置为1 kHz正弦波,峰峰值幅度为2 V,偏移为0。示波器通道2的单端输入(2+)用于测量源极的电压。示波器配置为连接通道1+以显示AWG发生器输出。在测量输入-输出误差时,应连接示波器的通道2,以显示2+和2–之间的差值。

图2.源极跟随器面包板电路
程序步骤
配置示波器以捕获所测量的两个信号的多个周期。产生的波形如图3所示。

图3.源极跟随器的输入和输出波形
源极跟随器的增益(VOUT/VIN)理想值为1,但总是略小于1。增益由以下公式1计算得出:

从公式可以看出,要获得接近1的增益,我们可以增大RL或减小rs。也可以看出,rs是ID的函数,ID增大,rs会减小。此外,从电路可以看出,ID与RL相关,如果RL增大,ID会减小。在简单的电阻负载发射极跟随器中,这两种效应相互抵消。所以,要优化跟随器的增益,我们需要找到能在不影响另一方的情况下降低rs或增大RL的方法。需要注意的是,在MOS晶体管中,ID = Is (IG = 0)。

其中,K = μnCox/2,λ可以认为是与工艺技术相关的常数。
从另一个角度来看,因为晶体管Vth本身的DC偏移,在预期的摆幅内输入和输出之间的差值应是恒定的。受简单的电阻负载RL影响,漏电流ID会随着输出上下摆动而升高和降低。我们知道ID是VGS的函数(平方关系)。以+1 V至-1 V的摆幅为例,最小ID = 1 V/2.2 kΩ或0.45 mA,最大ID = 6 V/2.2 kΩ或2.7 mA。因此VGS会发生明显变化。根据这些实验结果,我们能从一个方面改善源极跟随器。
现在可以使用先前学子专区实验中的电流镜来代替源负载电阻,以使放大器晶体管的源极电流固定不变。电流镜能在宽电压范围内获取较为恒定的电流。晶体管中这种较为恒定的电流会导致VGS相当恒定。从另一个角度来看,电流镜中极高的输出电阻可以有效提高RL,但rs保持为电流设定的低值。
加强源极跟随器
附加材料
►一个3.2 kΩ电阻(将1 kΩ和2.2 kΩ电阻串联)
►一个小信号NMOS晶体管(M1采用ZVN2110A)
►两个小信号NMOS晶体管(M2和M3采用CD4007)
说明
面包板连接如图4和图5所示。

图4.加强源极跟随器。
硬件设置
波形发生器配置为1 kHz正弦波,峰峰值幅度为2 V,偏移为0。示波器通道2的单端输入(2+)用于测量源极的电压。示波器配置为连接通道1+以显示AWG发生器输出。在测量输入-输出误差时,应连接示波器的通道2,以显示2+和2–之间的差值。

图5.加强源极跟随器面包板电路
程序步骤
配置示波器以捕获所测量的两个信号的多个周期。产生的波形如图6所示。

图6.加强源极跟随器波形
源极跟随器输出阻抗
目标
源极跟随器的一个重要方面是提供功率或电流增益,即从高电阻(阻抗)级驱动低电阻(阻抗)负载。因此,测量源极跟随器的输出阻抗具有指导意义。
材料
►一个4.7 kΩ电阻
►一个10 kΩ电阻
►一个小信号NMOS晶体管(M1采用CD4007或ZVN2110A)
说明
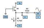
图7和图8中的电路配置增加了一个电阻R2,将来自AWG1的测试信号注入M1的发射极(输出)。输入端(M1的基极)接地。

图7.输出阻抗测试

图8.输出阻抗测试面包板电路
硬件设置
波形发生器配置为1 kHz正弦波,峰峰值幅度为2 V,偏移为减去M1的VGS(约为–V)。这会将±0.1 mA (1 V/10 kΩ)电流注入M1的源极。示波器输入2+测量源极电压的变化。
程序步骤
绘制在源极处测得的电压幅度。配置示波器以捕获所测量的两个信号的多个周期。产生的波形如图9所示。

图9.输出阻抗测试波形
问题:
您能简要描述两种提高源极跟随器增益(接近1)的方法吗?
您可以在学子专区博客上找到问题答案。
作者简介
Doug Mercer于1977年毕业于伦斯勒理工学院(RPI),获电子工程学士学位。自1977年加入ADI公司以来,他直接或间接贡献了30多款数据转换器产品,并拥有13项专利。他于1995年被任命为ADI研究员。2009年,他从全职工作转型,并继续以名誉研究员身份担任ADI顾问,为“主动学习计划”撰稿。2016年,他被任命为RPI ECSE系的驻校工程师。联系方式:doug.mercer@analog.com。
Antoniu Miclaus现为ADI公司的系统应用工程师,从事ADI教学项目工作,同时为Circuits from the Lab®、QA自动化和流程管理开发嵌入式软件。他于2017年2月在罗马尼亚克卢日-纳波卡加盟ADI公司。他目前是贝碧思鲍耶大学软件工程硕士项目的理学硕士生,拥有克卢日-纳波卡科技大学电子与电信工程学士学位。联系方式:antoniu.miclaus@analog.com。