
使用本公司专有技术可大幅度减少保护电路板的发热,应对智能手机等快速充电需求

艾普凌科有限公司(ABLIC Inc.,总裁:Nobumasa Ishiai,总部:东京都港区,下称“ABLIC”)今天推出世界最高(*1)充电/放电过电流检测电压精度±0.75mV(*2) 的S-82P1A/S-82P1B系列单节电池保护IC。

单节锂离子电池可用于智能手机、可穿戴设备等IT设备的各种应用。特别是近期随着智能手机的高功能化,逐见安装大容量锂离子电池的趋势。提高了对大充电电流的需求,对这种大容量电池进行快速充电。
问题是充电电流增加的同時,也会增加保护电路板上电流检测电阻产生的热量。 虽然可降低电流检测电阻的电阻值以控制发热,但是仅仅降低电阻值会增加检测电流值的变化,这可能难以确保安全。 想要在抑制检测电流值偏差的同时,降低电流检测电阻的电阻值,抑制发热,就需要备有高精度过电流检测电压的保护IC。
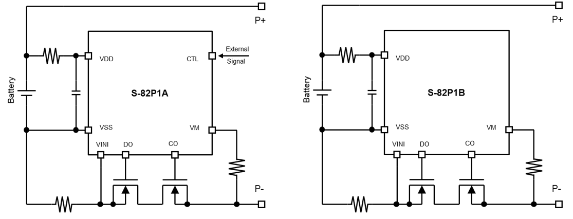
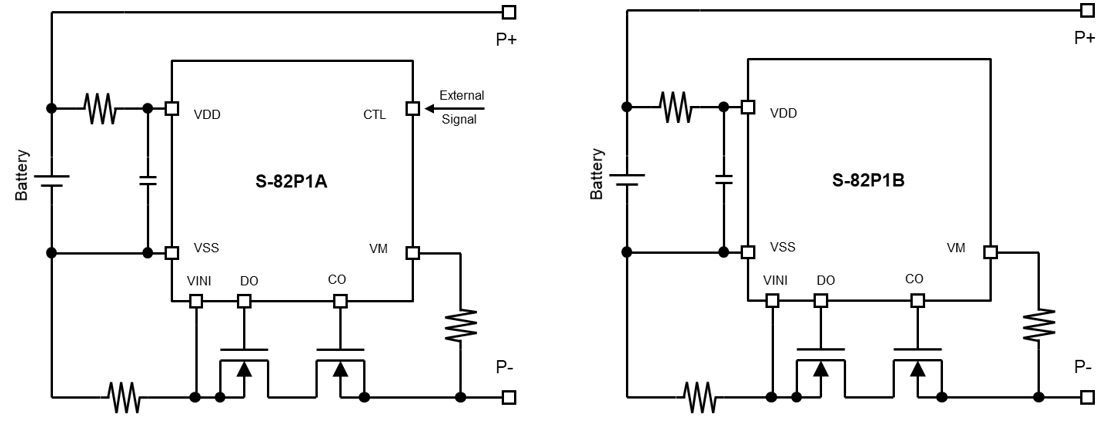
今天发布的新产品S-82P1A/S-82P1B系列是单节锂离子电池保护IC,具备以下特点:(1)实现了世界最高的充电/放电过电流检测电压精度±0.75mV,既可抑制过电流检测的偏差,又可降低电流检测电阻(全系列通用);(2)通过充放电控制功能,利用外部信号可以禁止电池组的充放电,连接了PTC热敏电阻后,可以实现过热保护(仅限S-82P1A系列);(3)过充电电压检测精度为±15mV,实现了业界顶级水准的高精度(全系列通用)。
综合上述特点,即使充电电流值增大,也可抑制保护电路基板的发热。并且,因实现了高精度过充电电流检测和过热保护,大大提高了产品的安全性。
ABLIC 将继续开发具有更高精度和更高性能的锂离子电池保护 IC,以推出适用于各种领域的产品。
(*1)基于本公司截至2021年9月的研究
(*2)与本公司以往产品相比减少25%


使用 S-82P1A / S-82P1B 系列的保护电路示例
[主要特点]
实现了世界最高充电/放电过电流检测电压精度±0.75mV!
过充电电压检测精度为±15mV,实现了业界顶级水准的高精度!
通过外部信号输入端子进行充放电控制(仅限S-82P1A系列)
[应用示例]
锂离子可充电电池组、锂聚合物可充电电池组
[产品示例]
智能手机、平板电脑、智能手表等

