
作者:ADI公司 Hooman Hashemi,产品应用工程师
简介
与传感器连接时,仪表放大器(IA)作用强大且功能多样,但也存在一些限制,会阻碍可变增益IA或可编程增益仪表放大器(PGIA)的设计。在有些文献中,后者也被称为软件可编程增益放大器(SPGA)。因为经常遇到要求根据各种各样的传感器或环境条件调节电路的情况,我们需要这类PGIA。采用固定增益时,系统设计人员可能不得不应对欠佳的SNR,这会降低精度。我的同事发表了《模拟对话》文章“可编程增益仪表放大器:找到适合的放大器”,其中讨论了多种有助于创建精密、稳定的PGIA的技术。文章中指出了这种设计可能存在的缺陷,并展示了对可用解决方案和技术的全面调查。在本文中,我将介绍另一种促进这项工作的工具和方法,我会逐一介绍每个设计步骤,让大家快速掌握使用新发布的仪表放大器创建精密PGIA所需的外部元器件值。
一种新的仪表放大器架构
常见的仪表放大器架构如图1所示。

图1.经典仪表放大器
增益由外部电阻器RG的值来设定。要使用这类器件创建PGIA,只需切换RG的值即可。这种切换通常使用模拟开关或多路复用器来完成。但是,模拟开关的一些非理想行为让这项任务变得复杂——例如开关的导通电阻、通道电容,以及通道电阻随施加电压的变化。
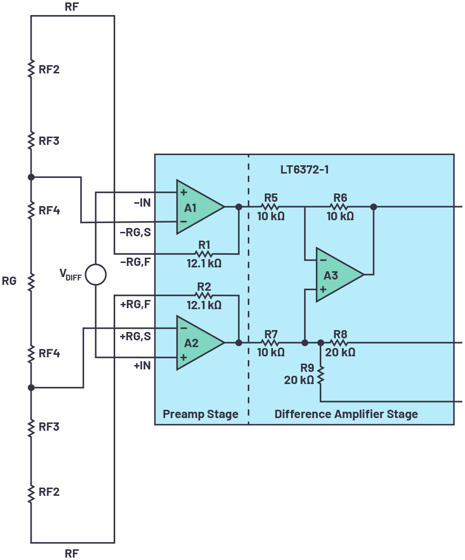
图2所示为基于标准仪表放大器结构的变化版本。注意RG引脚如何被分解成±RG,S和±RG,F,单独引出,并从器件封装外部进行配置。

图2.LT6372-1架构允许配置一些IA内部节点
图2所示的架构有一个重要的实用特性:能够配置仪表放大器,使其可以在几个不同的增益值之间切换,同时将开关电阻造成的增益误差降至最低。此特性可用于创建PGIA。
如上所述,任何电阻可编程仪表放大器都可以通过切换增益电阻的值来改变其增益。但是,这种做法存在明显的缺点,例如:
开关导通电阻(RON)标称值及其变化会造成较大的增益误差。
由于需要的开关RON值较低,高增益值可能无法实现。
开关非线性会引起信号失真。这是因为信号电流直接流过RON,因此其值随电压的任何变化都会引起失真。
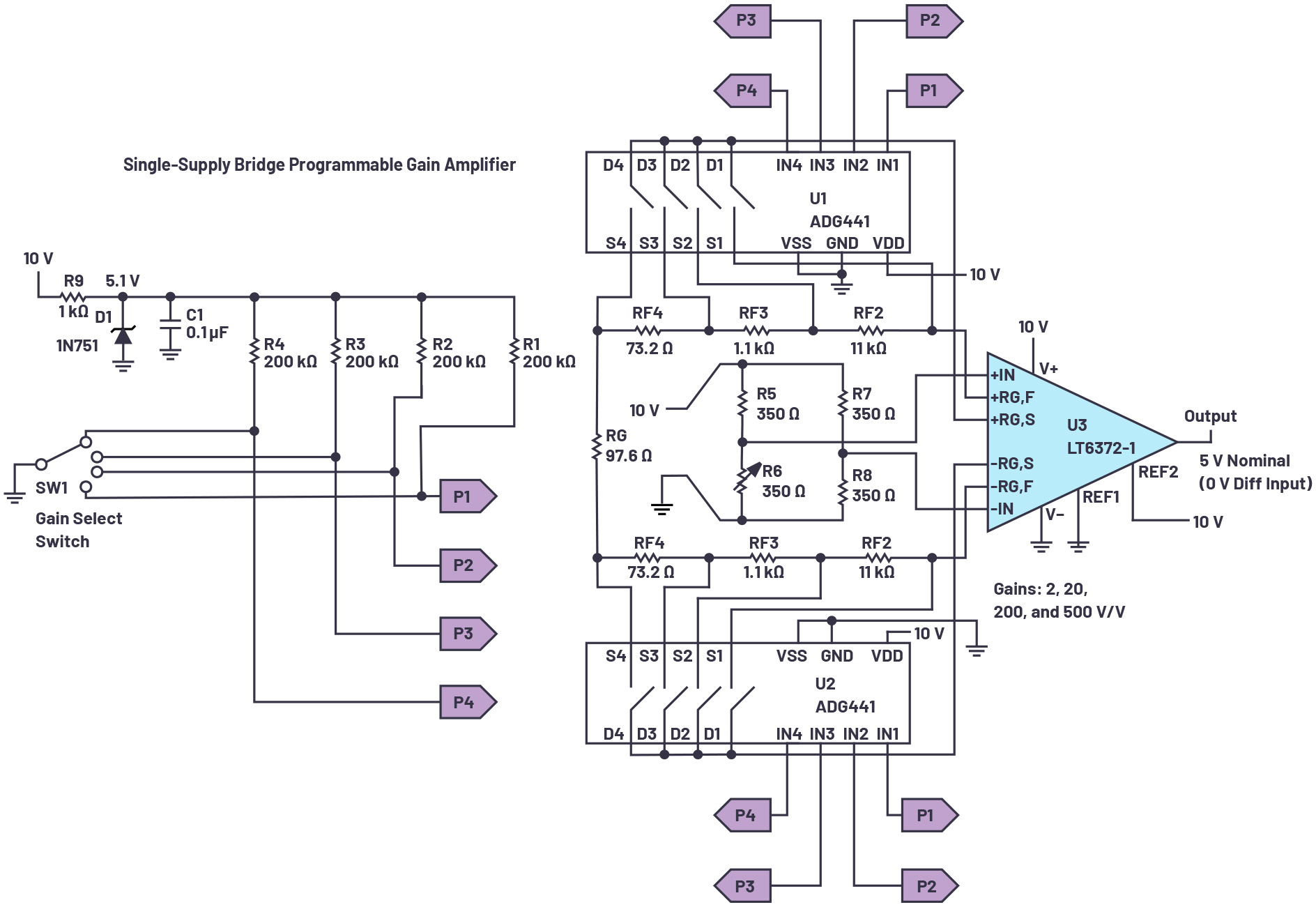
如图3所示,当LT6372-1配置为PGIA时,可以缓解这些问题,因为RG,F和RG,S引脚是单独引出的。在这个原理图中,惠斯登电桥(由R5至R8组成)产生的信号被放大,提供4个可能的增益值,用户可根据选择的SW1开关位置进行选择。利用LT6372系列引脚排列,我们可以创建一个PGIA以通过改变RF/RG比来获得所需的增益值。
此外,作为增益误差源的U1、U2模拟开关RON被降至最低,因为它可以与输入级反相端口及其反馈电阻串联。这样配置之后,RON只占内部12.1 kΩ反馈电阻总量的一小部分,因此对增益误差和漂移几乎没有影响。同样,由于RON值只占总反馈电阻的一小部分,其值随电压的变化几乎不会产生影响,因此开关非线性引起的失真可降至最低。此外,此器件的输入级由电流反馈放大器(CFA)架构组成,与传统的电压反馈放大器相比,它本身在增益变化时所允许的带宽或速度变化较小。1 上述所有这些因素综合在一起,让我们能够使用低成本外部模拟开关,创建具有精密增益步进的精密PGIA。
1 CFA闭环带宽与RF的值成反比,而传统的电压反馈架构带宽与增益(RF/RG)成反比。

图3.LT6372-1 PGIA电桥接口,提供四种增益设置
图4所示为PGIA的简化图,展示了梯形电阻的不同抽头(由总共8个模拟开关实现,每次短接2个来设置增益)如何配置电路。在此图中,两个开关组由四种可能的增益值之一来描述;–RG,S和+RG,S引脚短接至RF3/RF4结。

图4.LT6372-1的框图,以及PGIA的简化外部连接(未显示增益开关)
用于计算外部电阻的增益的设计步骤
图3显示完整的PGIA配置,包括所需的开关,该配置可适应任意大小的增益范围。其中包含四个可能的增益值,但是可以通过在设计中增加更多开关来增加该值。如前所述,允许配置RG,F和RG,S引脚这一特性让我们能够增加RF来增大增益,并降低RG来减小增益,以创建功能多样的PGIA。为了计算增益,我们可以将反馈电阻计为内部12.1 kΩ调整电阻加上RG,F到RG,S端口连接上与RG,F串联的其他电阻。相反,增益设置电阻是+RG,S和-RG,S之间的总电阻。总结起来就是:
RF = 12.1 kΩ + 两个输入放大器各自上面的RG,F和RG,S之间的电阻
RG = +RG,S和–RG,S之间的电阻
在这种配置下,增益的可能范围为1 V/V至1000 V/V。当U1和U2开关上的开关都设置为的短路引脚S3和D3时,对应的RF和RG值,以及产生的增益如下:
RF = 12.1 kΩ + 11 kΩ + 1.1 kΩ = 24.1 kΩ
RG = 73.2 Ω + 97.6 Ω + 73.2 Ω = 244 Ω
G = 1+ 2RF/RG = 1 + 2 × 24.1 kΩ/244 Ω = 199 V/V
很容易能够看出,决定外部电阻使用哪个值是一个迭代且彼此相关的过程,可能的增益值相互作用,对选择使用的电阻产生影响。为了便于参考,表1列出了一些常见的增益值组成值,但是,还可能存在许多其他的增益组合(G)。
表1.一些PGIA增益组合的组成值
案例 | RF2 (kΩ) | RF3 (kΩ) | RF4 (kΩ) | RG (kΩ) | G1 | G2 | G3 | G4 |
1 | 6 | 4.5 | 1.1 | 0.756 | 2 | 4 | 16 | 64 |
2 | 10.9 | 1.1 | 0.0726 | 0.097 | 2 | 20 20 | 200 | 500 |
3 | 8.6 | 6.1 | 4.3 | 20.8 | 1.4 (3 dB) | 2 (6 dB) | 2.8 (9 dB) | 4 (12 dB) |
确定PGIA的值的步骤
我们可以使用等式1中的公式依序计算增益网络中的单个电阻的值。该方程确定电阻的方式如图3所标示,表1中的案例2(增益为2、20、200和500 V/V)用作算出的示例。反馈电阻与增益设置电阻是交互式的;因此,公式必须是当前项取决于之前项的一个系列。计算公式如下:

以下是一些定义:
RF1 = 12.1 kΩ(LT6372-1的内置电阻) M:增益数量(本电路为4)
Gi:增益实例(在本例中,G1 – G4分别为2、20、200或500 V/V)
i:在1至(M-1)之间变化,用于计算RFi + 1

等式1可用于计算任何增益组合所需的反馈电阻。一个虚拟变量(j)充当计数器,以保持之前的反馈电阻的连续总数。
u 在计算之前,建议先绘制与图3所示的网络类似的电阻网络。该网络中有(2 × M) – 1个电阻,其中M =增益数。在这个示例中,M = 4,所以,电阻串中将包含7个电阻。需要针对i = 1 → (M – 1)求等式1的值。
G1 = 2,G2 = 20,G3 = 200,G4 = 500 V/V
根据等式2:

根据i = 1 → (M-1),以迭代的方式求等式1的值

然后,可以使用以下等式计算中心电阻RG:

在进行最后一步计算之后,表1中的所有4个电阻值都经过计算,设计的计算过程完成。
测量的性能图
以下这些图显示了使用此PGIA配置可以实现的性能:

图5.PGIA大信号频率响应

图6.PGIA CMRR与频率的关系
ADG444的开关电容使得在最低增益设置(G1 = 2 V/V)下,小信号频率响应出现一些明显的峰化(参见图7)。这种现象只在采用较低的增益设置时才会出现,因为LT6372-1的带宽扩展到足以受到开关的pF电容影响。解决这种副作用的方法包括,选择电容更低的开关(例如具有5 pF电容的ADG611/ADG612/ADG613),或者限制PGIA的最低增益设置。

图7.PGIA小信号低增益峰化
结论
本文介绍了如何利用新发布的LT6372系列器件的引脚排列为仪表放大器添加增益选择功能。文中分析了这种PGIA的特性,并详细说明了其设计步骤以及性能测量值。LT6372-1具有高线性度,提供精确的直流规格和性能,因此非常适合用于此类解决方案。
作者简介
Hooman Hashemi于2018年3月加入ADI公司,从事新产品指标测试和展示产品特性与用途的应用开发工作。Hooman此前曾在Texas Instruments工作了22年,担任应用工程师,专注于高速产品系列。他于1989年8月毕业于圣克拉拉大学,获电气工程硕士学位;1983年12月毕业于圣何塞州立大学,获电气工程学士学位。联系方式:hooman.hashemi@analog.com。