
引言
全球能源短缺和大气污染问题日益严峻,汽车产业绿色低碳发展已成为降低全社会碳排放、增强国家竞争力的有效手段。作为领先的功率半导体厂商之一,罗姆一直致力于技术创新,研发各种高效、高品质的功率器件,为大功率智能充电站提供安全可靠的解决方案,在支持绿色出行的同时助力全面低碳社会的可持续发展。
缩短充电时间的高输出挑战
对电动汽车车主来说,缩短充电时间是非常重要的诉求,而大功率充电是其中关键的支撑技术。提升续航距离需要増加电池容量,为缩短充电时间,需要高输出能力的充电桩,如360kW的充电桩要搭载9个40kW的电源模块。在电路拓扑方面,单向充电桩使用三相Vienna整流LLC电路。基于纯电动车对电网、家庭供电的需求,双向充电桩也趋于使用三相B6-PFC+双有源桥电路。
无论哪一种充电桩,客户都在一如既往地重视高品质的同时,随着输出功率的提高而追求高效化和热管理。对此,罗姆以功率器件为中心提供各种解决方案,满足各种客户需求。根据使用器件的不同,罗姆提供两类充电桩解决方案。一是碳化硅器件解决方案,适用于追求高效、小型化的大功率充电桩。二是硅器件解决方案,包括相对于碳化硅器件来说性价比较好的超级结MOS和IGBT。
·针对单向充电桩:面向大功率Vienna PFC+LLC电路拓扑的方案
Vienna整流+LLC构成了充电桩的基本电路。如果考虑设备成本,罗姆推荐使用硅器件、FRD(快恢复二极管)方案;如果需要高功率密度和高效率,则推荐使用碳化硅 MOS/SBD方案。

Vienna PFC+LLC电路和器件示例
PFC部分更适合使用碳化硅器件,理由有二:其一,高温时导通电阻增加较少,能实现高效率,同时可抑制发热,使用更小的散热板;其二,碳化硅器件的恢复损耗非常小,开关损耗较小,能够提高工作频率,有助于输入线圈的小型化。作为硅器件解决方案,也可以使用具有高速开关的罗姆SJ-MOSFET“R65xKN系列”以及IGBT“RGW系列”。

Vienna PFC拓扑推荐器件
其次,对于LLC部分,罗姆通过高耐压1200V 碳化硅MOS来削减部件个数。通过将1200V 碳化硅MOS应用于LLC部分,可以将Stack型的LLC电路变更为下述Single型。具备高耐压、高速开关特点的碳化硅器件给Single LLC带来以下优点:
减少功率器件数量,节省空间,简化电路,降低故障率;
减少控制元件数量,简化驱动电路,减少MCU使用数、减少端口数。

碳化硅MOS可以实现Single LLC的优势
·针对双向充电桩:面向三相B6-PFC电路拓扑的解决方案
罗姆针对双向充电桩的三相B6-PFC拓扑的方案使用1200V 碳化硅MOS,它具有以下优点:
受高温影响小;
高速恢复性能有助于可实现输入线圈、绝缘变压器的小型化
抑制偏共振时的破坏风险
20kW以下使用1200V开关元器件,例如高效率的碳化硅MOSFET “SCT3xxxKx(1200V/17-95A)”或标准IGBT “RGSxxTSX2”。在20kW以上的应用中,可以选择全碳化硅功率模块“BSMxxxD1xPxCxxx/Exxx/Gxxx(1200-1700V/80-600A/Half-Bridge)”,实现双有源桥谐振变换器(绝缘双向DC-DC)。

三相B6-PFC+双有源桥电路拓扑推荐器件
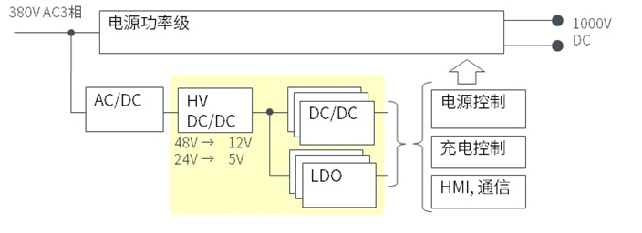
·针对充电桩二次电源系统的解决方案
针对充电桩系统中的二次部分(控制器,驱动部分),罗姆也有非常多的产品可供选择,其中在电源方面,有电源树形式的提案,从HV-DCDC到DCDC或LDO。

电源树形式的提案
2021年5月,罗姆推出了高耐压、大电流、内置MOSFET的降压型DC/DC转换器IC“BD9G500EFJ-LA”,既可实现小型高效,又确保即使受到雷电等突发性浪涌电压也不会损坏;同时以大电流支持更多的功能。
新产品是非隔离型DC/DC转换器IC,采用BiCDMOS高耐压工艺,可提供先进工业设备所需的电源功能。适用于48V电源系统,具有超高的80V耐压,安全工作范围更宽,与同等输出电流的普通产品相比,耐压提高了约20%。其足够的余量可以应对突发性浪涌电压,有助于提高应用的可靠性。
此外,还实现了耐压60V以上DC/DC转换器IC中超高的5A最大输出电流,有助于实现更多功能的小型化充电桩。另外,内置低损耗MOSFET可在2A至5A宽输出电流范围内实现高达85%的功率转换效率,更加节能。

与普通产品相比,耐压提高约20%
助客户研发一臂之力
在客户开发流程的各个阶段,罗姆提供全方位的应用支持,包括器件选型、电路设计、电路验证,到基板设计和实机验证。罗姆还特别针对客户在产品设计中比较花费工夫的3项技术提供重点支持:
·热设计支持
通过包括印刷板在内的热模拟,可以在PCB发板之前验证热设计。如果发生热问题,可以通过实测和模拟提出改进建议。
·EMC(噪音)设计支持
在构想、设计、试制阶段,由支持过众多客户、有丰富经验的工程师进行分析,支持客户解决EMC问题。
·仿真技术支持
客户可以利用罗姆官网上的仿真工具ROHM Solution Simulator简单轻松地进行电路仿真和系统验证。在接近实际环境的解决方案电路中,同时验证碳化硅功率元器件和驱动IC,从而显著缩短应用开发周期。
绿色,“充”向未来
作为全球功率半导体特别是碳化硅技术创新的领导者之一,罗姆持续提供安全可靠的功率半导体解决方案,来满足各种场景电动汽车充电需求。未来,罗姆将积极推动技术创新,为构建绿色、智能、安全的充电生态提供更多安全可靠的充电解决方案,助力全面低碳社会的可持续发展。
【关于罗姆(ROHM)】
罗姆(ROHM)成立于1958年,由起初的主要产品-电阻器的生产开始,历经半个多世纪的发展,已成为世界知名的半导体厂商。罗姆的企业理念是:“我们始终将产品质量放在第一位。无论遇到多大的困难,都将为国内外用户源源不断地提供大量优质产品,并为文化的进步与提高作出贡献”。
罗姆的生产、销售、研发网络分布于世界各地。产品涉及多个领域,其中包括IC、分立式元器件、光学元器件、无源元器件、功率元器件、模块等。在世界电子行业中,罗姆的众多高品质产品得到了市场的许可和赞许,成为系统IC和先进半导体技术方面的主导企业。
【关于罗姆(ROHM)在中国的业务发展】
销售网点:起初于1974年成立了罗姆半导体香港有限公司。在1999年成立了罗姆半导体(上海)有限公司, 2006年成立了罗姆半导体(深圳)有限公司,2018年成立了罗姆半导体(北京)有限公司。为了迅速且准确应对不断扩大的中国市场的要求,罗姆在中国构建了与总部同样的集开发、销售、制造于一体的垂直整合体制。作为罗姆的特色,积极开展“密切贴近客户”的销售活动,力求向客户提供周到的服务。目前在中国共设有20处销售网点,其中包括香港、上海、深圳、北京这4家销售公司以及其16家分公司(分公司:大连、天津、青岛、南京、合肥、苏州、杭州、宁波、西安、武汉、东莞、广州、厦门、珠海、重庆、福州)。并且,正在逐步扩大分销网络。
技术中心:在上海和深圳设有技术中心和QA中心,在北京设有华北技术中心,提供技术和品质支持。技术中心配备精通各类市场的开发和设计支持人员,可以从软件到硬件以综合解决方案的形式,针对客户需求进行技术提案。并且,当产品发生不良情况时,QA中心会在24小时以内对申诉做出答复。
生产基地:1993年在天津(罗姆半导体(中国)有限公司)和大连(罗姆电子大连有限公司)分别建立了生产工厂。在天津进行二极管、LED、激光二极管、LED显示器和光学传感器的生产,在大连进行电源模块、热敏打印头、接触式图像传感器、光学传感器的生产,作为罗姆的主力生产基地,源源不断地向中国国内外提供高品质产品。
社会贡献:罗姆还致力于与国内外众多研究机关和企业加强合作,积极推进产学研联合的研发活动。2006年与清华大学签订了产学联合框架协议,积极地展开关于电子元器件先进技术开发的产学联合。2008年,在清华大学内捐资建设“清华-罗姆电子工程馆”,并已于2011年4月竣工。2012年,在清华大学设立了“清华-罗姆联合研究中心”,从事光学元器件、通信广播、生物芯片、碳化硅功率器件应用、非挥发处理器芯片、传感器和传感器网络技术(结构设施健康监测)、人工智能(机器健康检测)等联合研究项目。除清华大学之外,罗姆还与国内多家知名高校进行产学合作,不断结出丰硕成果。
罗姆将以长年不断积累起来的技术力量和高品质以及可靠性为基础,通过集开发、生产、销售为一体的扎实的技术支持、客户服务体制,与客户构筑坚实的合作关系,作为扎根中国的企业,为提高客户产品实力、客户业务发展以及中国的节能环保事业做出积极贡献。